|
四、专利申请技术交底书
申请人:黄文烨 湖南省平江县第一中学296班
张从军 湖南省平江县第一中学
发明人:黄文烨 张从军
发明人身份证:(略)
电话:(略)
1、实用新型名称:点滴自动报警器
2、现有技术概况:
在现有各类医院均没有此类自动报警系统。在查询各类医疗器械中均没有同类设计。
3、发明的目的:
在小诊所中打点滴时,医生经常要注意病人药水的多少,十分麻烦,在医院,对打点滴的病人通常需要有人守在身旁,特别是夜晚,不能安心睡觉,该项目可以解决此问题。
目的:为了方便病患亲属守夜的困难,及未拔针头而产生的意外事故。
思路:根据药瓶重量的变化设计。
4、发明的内容:
首先是考虑用杠杆,将药瓶挂在杠杆一端,另一端为接触式的开关,当药瓶中药水减少时,药瓶一端逐渐上升,开关处下降,与触片相连,报警。
由于杠杆很容易被晃动,误差大,改用弹簧。
将药瓶挂在弹簧下端,当药瓶中药水减少,弹簧收缩,触点连接开关,报警。
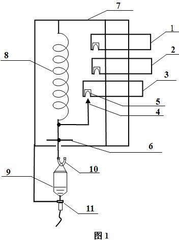
①将药瓶挂于10处,如下页图1,弹簧伸长,根据瓶的大小,选择1、2、3(1、2、3处贴有瓶大小和重量的标签)按纽中的一个,按入,当药瓶中药水剩量很少时,4触片(4顶端有一金属触点)将进入5触点中,连接电路,将电路接通,电路报警。护士为病人拔下针头时,先将10向下拉,使4从5中取出,解除报警。报警电路中可添加延时报警装置,报警10秒后,每隔10秒后又重新报警(此电路现学生小闹钟中有),直到护士拔下针头或更换药水。
②1、2、3可有多个按钮,且在取用不同类型的药瓶时,分别将不同高度的按钮按入。按钮采用录放机的锁键方式按下一个按钮,则另一个按钮弹起,各按钮都有两根导线并联在一起,图2为触点处放大图。
③为了使弹簧测重稳定,从支架处安一硬棒,并用钳子夹住点滴瓶下面即输液管的空气泡11处。让重量或晃动的力受在支架上,使报警器不误报。
④为使弹簧不至受到强力破坏,在挂瓶的10的上方焊一模条6。
见后面附图
5、进一步完善该项目的设想:
a、减小误差,达到电子秤测物的水平。如改用电子式(压簧式或电子秤)的测重量度,则可几乎达到百分之百的准确度,由于手工制作,有一定的误差,但作为工厂成批生产,则可达到非常小的误差,其精度已足够满足自动控制。
b、对本设计中的关键部分——弹簧控制与触点控制,还可以进一步的改进,以达到更精确,但手工较难一点。
c、药瓶的重量如果能固定,或是工厂里能做成其标准的重量,其报警的准确度会更高。
五、说明书附图



|