|
8.如图所示为某品牌球形门锁,合理的安装流程为

A.⑧⑤⑦③①⑥②④ B.①⑥⑤③②⑧⑦④
C.①⑥②⑧⑤⑦③④ D.⑥⑤③①②⑧⑦④
9.如图所示为某冰箱内部压缩机结构图。冰箱的灵魂是压缩机,是它提供动力让制冷剂循环起来,从而达到制冷的目的。下列关于系统的说法中,不正确的是

A.压缩机启动时,轴承转动,就会带动冷冻机油运动,实现制冷的功能,体现系统的整体性
B.润滑油可防止压缩机各部件之间产生较大摩擦,进而保护压缩机寿命,体现系统的相关性
C.动力子系统、润滑子系统、循环子系统等都是压缩机的子系统
D.设计该系统时涉及电机系统、液压系统力学等相关知识,体现系统分析的综合性原则
10.如图所示为某品牌电热水壶,工作原理为:按下电源开关,发热底盘工作,当水沸腾时产生的水蒸气使双金属片变形,通过杠杆原理将电源开关断开,发热底盘停止工作。关于该控制的说法正确的是

A.被控对象是电源开关 B.双金属片可以认为是检测装置
C.该控制系统为开环控制 D.执行器为双金属片
11.【加试题】关于多用电表使用的说法正确的是
A.将指针式多用电表调至欧姆1K档来测量三极管,黑表笔接B红表笔接C,指针不动则三极管己损坏
B.用指针式多用电表检测电位器两引脚,旋转电位器可调螺丝,读数无变化则电位器己损坏
C.用数字式多用电表2KQ档位测得某电阻为100,则实际电阻力200K
D.用指针式多用电表检测电容器需先短接电容器两引脚,再进行测量
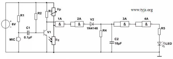
12.【加试题】如图所示为声光双控延时楼道灯模拟电路,当夜晚有声音时,LED发光,关于该电路的说法正确的是
A.由公式Ã=A可知,短路3A、4A对电路没有影响
B.C1为交流耦合电容,若短路C1,LED将一定不发光
C.若二极管V2击穿,电路将没有延时功能
D.改变R3阻值可以调整V1的直流工作点
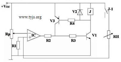
13.【加试题】小明设计了如图所示的过载保护电路,调整负载电阻RH的阻值,当流过RH的电流超过允许值时自动断开负载电源。下列分析中不正确的是

A.要增大流过RH的电流允许值,可减小R1的阻值
B.当流过RH的电流超过允许值时,继电器J吸合,电流减小后,继电器断开
C.二极管V2用来保护三极管V1
D.该电路无法实现重启功能
|