|
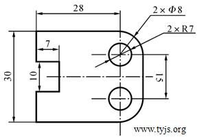
6.如图所示的尺寸标注中,不正确的标注共有

A.2处 B.3处 C.4处 D.5处
如图所示为小木床和护栏的示意图,护栏两端分别装有转动轴和限位销,护栏通过连接件安装到床上。请完成7-8题。
7.要求护栏能竖起和放下,竖起时固定可靠。合理的连接件是

8.要把该连接件安装到小木床上,合理的标准件与安装工具是

9.下列手工加工操作中不准戴手套的是
A.钻孔 B.攻丝 C.锯割 D.锉削
10.以下操作要领和规程中,说法不正确的是
A.钻孔时要戴防护眼镜,以防切屑飞出伤害眼睛
B.攻丝起攻时,一只手的掌心按住扳手中部沿丝锥轴线下压,另一只手配合做顺向旋进
C.锯割起锯时,不能用拇指将锯条限定在锯割位置,防止锯条滑动锯伤手指
D.锉削时,在推锉过程中,要使锉刀平稳而不上下摆动
11.如图所示为一款壁灯。当杆1与杆2成90°时,杆1与杆2的主要受力形式是

A.杆1受弯曲,杆2受弯曲、受扭转
B.杆1受压,杆2受压、受拉
C.杆1受压,杆2受压、受扭转
D.杆1受弯曲,杆2受弯曲、受拉
[通用技术网]
如图所示是用硬纸板制作而成的座椅,具有一定的强度,能承受一个成年人的重量。请完成12-13题。

12.以下不属于影响座椅强度的主要因素是
A.硬纸板的强度 B.硬纸板连接处的结构
C.硬纸板与硬纸板之间的连接方式 D.纸板椅座面的高度
13.下列连接方式中,不适合用于该座椅中硬纸板之间连接的是
A.插接 B.胶连接 C.螺钉连接 D.纸箱钉连接
|